一站式采购解决方案供应商
全国咨询热线:
15821084213
网站首页
关于我们
公司介绍
企业文化
产品中心
安全光栅
安全激光扫描仪
检测光栅
位移传感器
安全门锁
新闻资讯
公司动态
行业新闻
常见问题
工程案例
资料下载
联系我们
产品中心
安全光栅
安全激光扫描仪
检测光栅
位移传感器
安全门锁
当前位置:
网站首页
>
产品中心
>
安全光栅
服务热线:15000846693
在线咨询
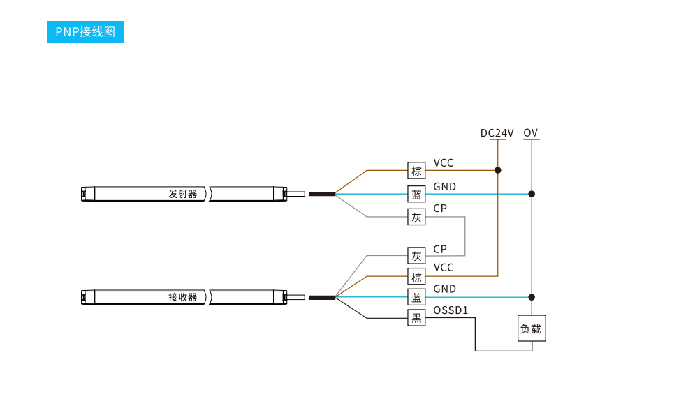
产品介绍
选型表
标签:
上一篇:折弯机保护光幕
下一篇:SF27X系列激光雷达
在线客服
6134625108
联系方式
咨询服务热线
15821084213
上班时间
周一到周五
二维码
在
线
客
服
留言标题:
你的姓名:
联系电话:
电子邮箱:
联系地址:
留言内容:
验证码: